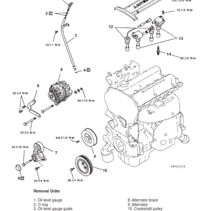
Workshop manual Mitsubishi Lancer Evolution 8 CT9A 2003 to 2005 Factory service repair electrical system with wiring diagram engine gearbox

$3.62 $4.83

Instant Digital Download

Instant link delivery after purchase

Description:

Workshop Repair Manual for Mitsubishi Lancer Evolution 8 CT9A 2003 to 2005

This factory service manual includes all necessary specifications such as servicing, maintenance, general repairs, advanced repairs and troubleshooting guides, wiring diagrams. You get repair guides for engine, gearbox, differential, suspension, steering, brakes, body panels, interior components and electrical systems. You have a complete repair workshop manual for Mitsubishi Lancer Evolution 8 CT9A 2003 to 2005

The file type: zip file with pdf files for workshop manual
File size: 10.8 MB

Car repair manual is for the below models:

2003 to 2005 Mitsubishi Lancer Evolution 8 CT9A

Legal imprint