Workshop manual Nissan Navara/Frontier D22 1997 to 2004 factory repair service Automotive Diagnostic Tools link Car Repair engine suspension

$3.60 $4.81

Instant Digital Download

Instant link delivery after purchase

Description:

Workshop Repair Manual for Nissan Navara / Frontier D22 1997 to 2004

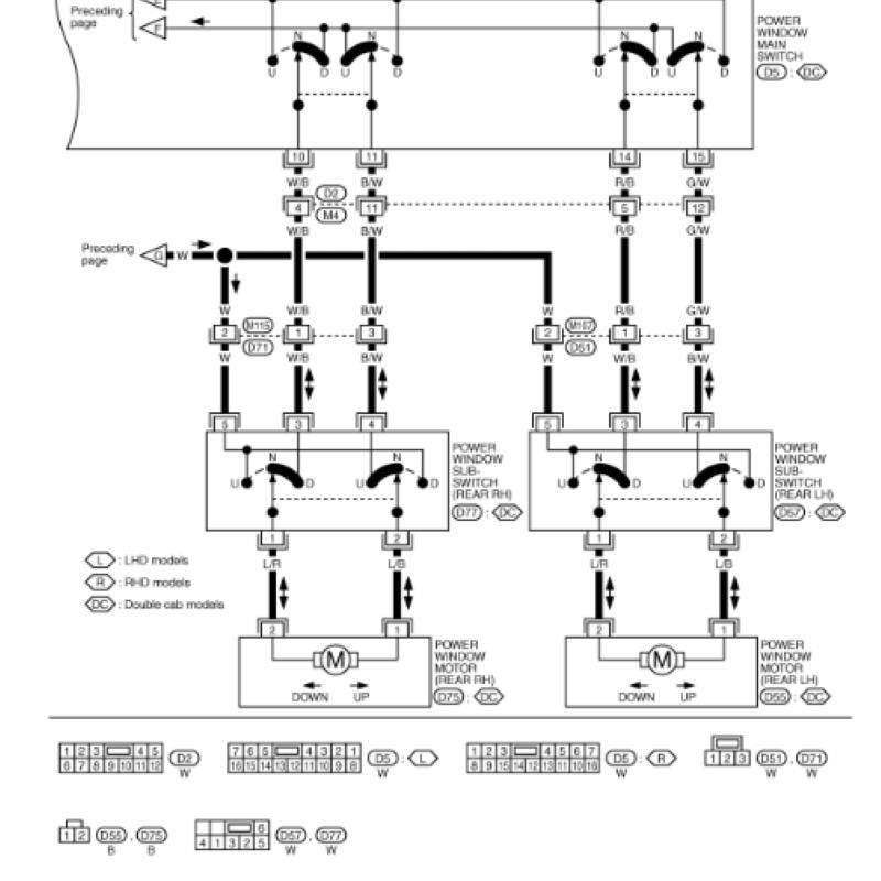
This factory service manual includes all necessary specifications such as servicing, maintenance, general repairs, advanced repairs and troubleshooting guides, wiring diagrams. You get repair guides for engine, gearbox, differential, suspension, steering, brakes, body panels, interior components and electrical systems. You have a complete repair workshop manual for Nissan Navara / Frontier D22 1997 to 2004

The file type: zip file with pdf files for workshop manual
File size: 124.1 MB

Car repair manual is for the below models:

1997 to 2004 Nissan Navara / Frontier D22

Legal imprint