General Car Repair Manual for Suzuki Grand Vitara FT/GT 1998-2005 workshop with engine service guide gearbox troubleshooting and maintenance

$3.63 $4.84

Instant Digital Download

Instant link delivery after purchase

General Car Service Manual – Complete Guide Workshop for Suzuki Grand Vitara FT / GT 1998 - 2005
📘 Description:

The General Car Service Manual is a comprehensive, step-by-step guide designed to assist vehicle owners, technicians, and DIY mechanics in maintaining, servicing, and diagnosing common automotive systems. Covering all major components of the vehicle, this manual provides detailed instructions, illustrations, and troubleshooting procedures to ensure proper care and performance of your car.

Whether you're performing routine maintenance or addressing specific issues, this manual serves as your go-to reference for reliable, accurate, and manufacturer-based service guidelines.

You have a complete repair workshop manual for Suzuki Grand Vitara FT / GT 1998 - 2005

📦 What’s Included:

Engine Service & Maintenance

Oil changes, filter replacement, spark plugs

Cooling system checks, belt inspection

Engine performance diagnostics

Transmission & Gearbox

Manual and automatic transmission servicing

Gear oil replacement

Clutch adjustment and inspection

Brake System

Brake pad and rotor replacement

Brake fluid bleeding

ABS system diagnostics

Suspension & Steering

Shock absorber and strut inspection

Alignment basics

Power steering maintenance

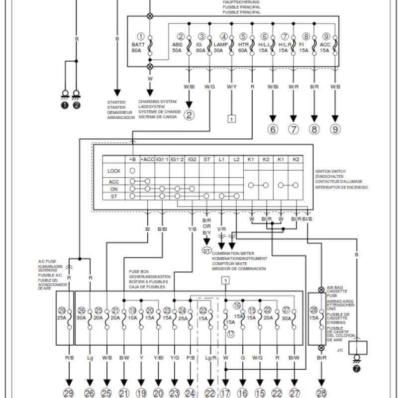
Electrical System

Battery check and replacement

Fuse panel diagram

Alternator and starter motor testing

Diagnostics & Troubleshooting

Using OBD-II scanners

Reading error codes

Diagnosing warning lights

Fluid & Filter Replacement

Engine oil, brake fluid, coolant, transmission fluid

Air, fuel, cabin filters

Factory Maintenance Schedules

Service intervals based on mileage

Manufacturer-recommended procedures

Tools & Equipment

List of essential tools for general servicing

Safety gear and workshop setup tips

⚙️ Who It’s For:

DIY car owners

Auto repair professionals

Workshop technicians

Students in automotive courses

✅ Key Benefits:

Reduce maintenance costs by doing it yourself

Understand your car’s systems in-depth

Increase your vehicle’s lifespan and performance

Avoid unnecessary repairs through early detection


The file type: zip file with pdf files for workshop manual

Car repair manual is for the below models:

Suzuki Grand Vitara FT/GT 1998 - 2005

Legal imprint